一、防尘防护服规格参数:
订货号:TER7LD05
名称:埃夫特ER7L防尘防水耐磨防护服
特点:防尘,防油,耐磨,防水
防护类型:拾取、码垛、喷砂、喷丸、搬运、装配
适用范围:埃夫特工业机器人
尺寸规格:埃夫特ER7L
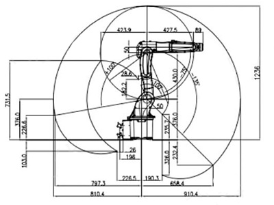
二,机器人参数:


三、详细说明
1. 耐磨工况
防尘耐磨防护服能有效的防止机器人在工作环境中产生的大量粉尘、水蒸气进入机器人内部,影响机器人的正常运转。具有一定的防尘、阻燃、防水蒸气的效果。
2. 防护类型
拾取、码垛、喷砂、喷丸、搬运、装配
3. 材质
主要采用耐磨性极高的面料,具有一定的防尘耐磨功能,同时具有良好的阻燃性和防水性能,防护服可反复使用,易于打理。有多种材质,可供客户选择。

关键词:机器人防护服 防尘耐磨机器人防护服 特鲁门 truman
售前咨询专员
