一、本型号机器人防护服参数
订货号: TA460W10
特点:防水、耐酸碱、耐腐蚀
防护种类:清洗机器人、防液滴、耐酸碱、防酸雾、防腐蚀、防水汽
适用范围:ABB工业机器人
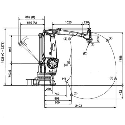
尺寸规格:ABB IRB460-110/2.4
二、机器人型号


三、机器人防护服简介
简介:清洗机器人防护服又被称为机器人防水服,具有防水、耐酸碱、防腐蚀的功能。机器人防水服能更好的防止水分子及腐蚀性液体对机器人本体及附加管线的侵蚀,采用独特的防水工艺较好的提高了防护服的密封性,延长使用寿命。主要应用于机器人清洗环境。
特鲁门设计研发的清洗机器人防护服,是专门针对处在潮湿、水分子、液体分子量大的清洗工况环境下工作的工业机器人而设计的保护装置。

清洗机器人防护服能更好的防止水分子及耐腐蚀性液体对机器人本体及附加管线的侵蚀,采用独特的防水工艺较好的提高了防护服的密封性,延长使用寿命。
特鲁门机器人防护服具有良好的伸缩性、抗磨性,工艺良好,密封性好,可长期反复使用。
售前咨询专员
